第一章 安全注意事项
螺杆鼓风机的操作、维护保养、运输等应由经过培训的合格人员执行。在操作机器之前,要熟读并理解产品说明书的内容。
1. 螺杆鼓风机放置位置地面必须平坦,且地面不可为软性土壤,地基面是水平面。
2. 螺杆鼓风机的工作介质主要是正常的空气。而像其他气体、蒸气或烟雾不能直接用螺杆鼓风机主机,除非经过处理。不得用于有腐蚀性气体及爆炸性气体的场所。
3. 及时维护进气滤芯器。禁止液体,固体和粉末状进入螺杆鼓风机主机,否则会导致损坏或者使用寿命的减少。保持进气管路内清洁延长进气滤芯器的寿命。
4. 配电时,选择正确的电源线径,并且确认电压的正确性。在供电的线路上,必须安装空气开关、熔断丝等安全装置。为了确保电气设备的可靠性,务请按照电气安装的有关规定,接上合适的接地线,并在机器周围留出必要的维护空间。
5. 第一次开机或电源线有变动时必须检查电机旋转方向是否正确,以防机头缺油烧损。
6. 在机组运转时,不要松动、拆掉任何管路附件、接头和器件。机组里充满高压高温的液体,能引起严重的人身伤害事故。
7. 螺杆鼓风机在进行维护保养、检修工作之前,必须:
a) 机组停车;
b) 切断电源,确保螺杆鼓风机处于断电状态;
c) 确保螺杆鼓风机系统已无压力。
8. 螺杆鼓风机内电机、温度传感器、压力变送器、电控箱、导线等部件应定期检查,此类部件如长期疏于检修有可能引起火灾事故。
9. 螺杆鼓风机运行时保持出气口畅通。
1. 所选用电源电压必须与设备的输入电压规格相同。
2. 实施配线前,请务必切断电源,绝对避免与电焊机等强干扰设备共用同一电源。
3. 请不要把设备安装在含有爆炸性气体的环境里,否则有引发爆炸的危险。
4. 主回路端子配线必须正确,R、S、T 为电源输入端子,绝对不可与其它端子混用,否则,送电时会造成设备的损坏。
5. 请勿自行拆装更改变设备内部连接线或零部件。
6. 严禁私自改装,更换控制板及零部件,否则有触电,发生爆炸等危险。
7. 送电中绝不可插拔设备上的任何连接器(操作面板除外),以避免设备损坏并造成人员伤亡。
8. 送电前请盖好电箱盖,以防触电,造成人身伤害。
9. 在开启故障再启动功能时,电机在运转停止后会自动再启动,请勿靠近设备,以免发生意外。
10. 即使在主电源、其他电压输入和共享负载(比如中间直流回路共享)都已断开的情况下,变频器内仍然可能残留电能,在接触变频器等电子器件前,22KW 及以下的变频器至少要等待 5分钟,否则有触电的危险。
1. 调试前注意检查电源线是否连接可靠。
2. 水冷型机组请打开进、出水阀门,检査水温、水压是否满足要求。
3. 开机前应确认机组内无人,并检査是否有遗留物品和工具,关上机组门;开机时应先通知机组周围人员注意安全。
4. 试运转时,严格检查螺杆鼓风机的转向,当发现反转应立即停机,切断电源,把三相线任何两根对调再重新开机,否则会损坏螺杆鼓风机(每次工厂电源检修须注意!).
5. 螺杆鼓风机工作压力不能高于铭牌规定的排气压力,否则会导致电机过载而烧坏。
6. 当螺杆鼓风机处于远程控制时,机器随时可能启动,应挂牌提醒。
7. 当螺杆鼓风机发生故障或有不安全因素存在时,切勿强行开机,此时应切断电源,并作出显著标记。
8. 机器内有高速传动装置和高温部件,当机器处于运行状态时,请勿随意开启机组门。
机组的搬运安装工作要按有关搬运注意事项严格进行,叉运时,应放上方木以防叉车把机组门板压坏(见图1)。如果使用吊索,一定要用横杆,横杆可以抵消吊索产生压向箱体的侧面压力(见图2 )
注意!仅在吊索和机组隔声罩之间垫些保护材料的做法是不足够的,会把机组上面两侧门板压坏。

图1:垫木方 图2:吊索 + 横杆
1. 基础应建立在硬质的地坪上,在安装前须将基础平面处理水平,以避免压缩机产生震动而引起噪音。
2. 螺杆鼓风机如装在楼上,须做好防震处理,以防止震动传至楼下,或产生共震,对螺杆鼓风机及大楼本身均有安全上的隐患。
3. 螺杆鼓风机所产生的震动较小,故不需专做固定基础。但其所放置之地面须平坦,且地下不可为软性土壤;如有条件的话,在机组底部铺上5~10mm的软垫更佳。
1. 须宽阔,采光良好的场所,以利操作与检修。
2. 空气之相对湿度宜低,灰尘少,空气清净且通风良好。
3. 环境温度须低于45°C ,因环境温度越高,则越容易产生机组高温故障。
4. 如果工厂环境较差,灰尘多,须在螺杆鼓风机吸气口前加装前置过滤设备。
5. 预留通道,具备条件者可装设天车,以利维修保养。
6. 预留适当的保养空间,机器距墙的距离大于1米。
7. 对水冷机组,冷却水供水压力应满足0.2~0.4bar,进、出口均应装阀门,如果冷却水可能有杂物,应装过滤器,供水要求如下:
A、 用质量符合规定的直流供水时,供水量应满足冷却器连接管径的水流量。
B、 用循环水时,供水量=24x机组水流量/冷却塔温差。
C、 如果冷却水质量达不到规定要求,应加大供水量。
当您选用风冷式螺杆鼓风机组时:
1. 要特别考虑其通风环境,不得将机组安放在高温设备附近,以避免螺杆鼓风机吸入高温空气导致排气温度过高而影响机组的正常运行。
2. 当使用条件限制,螺杆鼓风机安装在较小的密闭空间内时,须加装抽、排风设备,以便空气流通循环,而且抽风进口位置要远离螺杆鼓风机热排风出口位置。
螺杆鼓风机采用联轴器或同轴传动做主传动带动螺杆转子转动进行空气压缩,空气通过空滤进入螺杆压缩腔体进行压缩,螺杆式鼓风机利用一对啮合的螺旋转子,在旋转过程中,从进气端吸入空气,压缩,排放 至排气端。压缩腔内无润滑油,阴阳转子由同步齿轮同步运转。
螺杆鼓风机的工作过程:

产品主要型号:
永磁变频无油螺杆鼓风机,可以提供稳定的清洁空气,广泛地运用于清洁(半导体、医药、食品)、干燥、输送、包装、涂装、发酵、仪表等高端运用领域。广东章鼓提供以下型号的永磁变频无油螺杆鼓风机:BGG-8PM、BGG-11PM、BGG-15PM、BGG-19PM、BGG-22PM、BGG-30PM、BGG-37PM、BGG-45PM、BGG-55PM、BGG-75PM、BGG-90PM、BGG-110PM、BGG-160PM、BGG-185PM。
永磁变频螺杆鼓风机的主要部件,如下图所示:

1. 螺杆主机
2. 空气过滤器
3. 主机、电机中心托架
4. 永磁变频电机
5. 轴流风机
6. 消音器
7. 急停按钮
8. 触控操作显示屏
9. 变频器

利用一对螺杆,在泵壳中作同步高速反向旋转而产生的吸气和排气作用。螺杆主机不使用液体作为密封液,而是依赖于螺杆之间、螺杆与泵腔之间非常小的间隙,以及很高的转速来减少气体的返流。

永磁变频电机采用稀土永磁材料。启动平稳,运行可靠,功率因数高,电机温升低、体积小、重量轻、噪音低、过载能力强、寿命长。
进气过滤器主要由专用纸质滤芯与壳体组成。空气经过纸质滤芯的微孔,使灰尘等固体杂质过滤在滤芯的外表面,不进入主机内,以防止相对运动件的磨损。因此,应根据使用环境和使用时间,及时予以清洁或更换进气过滤器。其清洁方法为:将滤芯取出轻轻敲其上下端面,或用压缩空气轻轻吹除即可清洗滤芯上的灰尘污物。切忌用油或水刷洗。如发现滤纸破损或尘污多堵塞严重而清除不净时,则必须更换新件。
可以有效地降低排出气体的噪音。
气流稳定、压力高、运行平稳、噪音低、节能高效。
机器外壳,以及内衬隔音棉,除了防止运动部件伤人,还可起到隔音降噪的效果。
位于触摸操控显示屏右侧,遇紧急情况时,按下红色蘑菇头急停按钮,可立即切断电源,停止机器。
当螺杆鼓风机排气压力高出设定的额定排气压力时,压力传感器将信号传给控制器,控制器的动作切断电动机电源,使无油螺杆鼓风机停机;显示屏出现压力超高故障信息。
安全阀装在消音器上,当调节系统发生故障时,排气压力上升达到安全阀开启压力时,气体顶开阀芯,并向大气喷射,可使管道内的压力下降;当压力下降到安全阀关闭压力时,安全阀自动关闭。
当螺杆鼓风机排气温度超过设定值时,由接在主机排气孔口处的温度传感器将信号传给控制器,控制器动作切断电动机电源,使螺杆鼓风机紧急停机,控制器屏幕显示相关故障信息。
第六章 控制系统
一、概述
本调试说明书用于指导真空泵电气系统调试,可用作厂家技术人员调试本项目的调试依据。
二、调试前准备工作
1、调试基本信息
2、调试所需设备/工具清单
名称 | 数量 | 单位 | 备注 |
万用表 | 1 | PCS | 福禄克 |
钳流表 | 1 | PCS | 福禄克 |
螺丝刀 | 2 | 把 | 十字、一字 |
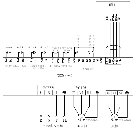
三、系统电气原理图&接线图

GD300-21接线图
1、接线端子说明
2、指示灯位置示意图


3、接线端子说明


四、详细调试步骤及画面
1、调试步骤
第一步:检查接线。按照本调试说明
系统工艺图:分别检查变频器端子接线,主要是温度信号线(不分正负)、压力信号线(分正负)和通讯线(分正负)。
第二步:真空泵上电

第三步:进入开机画面—点击菜单

第四步:菜单——系统配置界面中,按下“电机参数设置”。


第五步:电机电机参数自学习:
触摸屏上,系统配置——出厂调试引导——电机参数设置界面,界面如下:

电机类型如果是异步电机按一下,切换至同步电机,根据电机铭牌设置最大频率、电机额定功率、额定频率、额定电压(380V)、额定电流、电机极对数和反电动势。
注1:最大频率设置:大于等于电机额定频率即可。
注2:极对数设置:根据N=60*f/P,因此P=60*f/N。其中,P为极对数,f为电机额定频率,N为电机额定转速。P为正整数,因此,如果算得不为正整数,则P为算得数值最接近的正整数。如算得2.9,则P=3,算得为3.05,则P=3。如果电机名牌没有标注错误,算得的P都应为正整数。
另外,如果电机名牌上标注电机Pole,则表示为电机极数,极对数为极数的一半,如名牌上标注Pole=8,则极对数应设为4。

设置完毕之后,按下参数辨识,变频器进行电机参数自学习,大约20S自学习完毕。自学习出来的参数为定子电阻、直轴电感和交轴电感。
第六步:风机 参数设置
根据电机铭牌设置最大频率、电机额定功率、额定频率、额定电压(380V)、额定电流、额定转速。之后点击返回

第七步:系统参数设置
触摸屏上,系统配置——出厂调试引导——系统参数设置界面,界面如下:


注:急停开关、主机温保的端子极性为常闭,其他设置根据现场需要修改,比如相序保护、压力上限等。
P1压力上限设 250 kPa。
之后点击返回
第八步:一键参数设定
触摸屏上,系统配置——出厂调试引导——一键参数设置界面,界面如下:

第九步:调试模式,调试单步动作是否正常。
触摸屏上,系统配置——出厂调试引导——调试模式界面,界面如下:

第一步:点动看方向:按下运行键查看方向后急停。若方向不对,请调整电机接线相序。
第二步:确定风机方向,如风机反向,请更改接线,确保风机转向正确。
第三步:试运行:按下启动键,正常带载运行,查看电流显示是否稳定。
第十步:报警查看,在菜单——故障记录区查看是否有故障或报警以及历史故障记录。如有,一一排查,出厂前应清除历史故障记录。


第十一步:厂家信息填写

第十二步:密码设置及说明

控制器提供了多重密码及权限管理,根据不同级别的密码,提供不同级别的操作权限,不同级别密码及权限如下:
1、用户密码:出厂设置为:
权限:可以清除故障记录;允许修改用户参数,但“级间压力模式”及“级间压力系数”需厂家密码才能更改。可以观看维保参数,保护参数,但不可更改
2、维保密码:出厂设置为:
权限:允许修改所有主变频参数、风机变频参数、维护参数,保护参数。
3、厂家密码:出厂设置为:
权限:最高权限,允许修改所有参数。
如要更改密码可在“保护参数”里的“密码设定”里更改!
4、用户参数设置

5、维护界面

6、主机变频参数

7、风机变频参数

8、运行信息

9、保护参数设置

五、程序更新:

触摸屏上,系统配置——出厂调试引导——触摸屏界面,界面如下:

选择U盘的工程,然后点击 导入工程,等待完成,触摸屏重启!
六、常见故障提示举例:
1、压力信号故障:
1)查看变频器端子接线是否有松动,线有没有接错等意外情况。
2)检查压力变送器线是否接反?
3)以上均试过,还是有压力信号故障,请更换压力变送器。
2、温度信号故障:
1)检查接线,查看排气温度检测信号PT100接线是否正确?
2)测量PT100阻值,正常100欧以上,150欧以下才正常。如不正常,请更换PT100。
3、触摸屏界面所有数据为0:说明通讯不上:
1)检查通讯线是否连接正确?通讯线分正负。
2)以上均已试过还是通讯不上,请更换通讯连接线。
4、电磁阀吸合不牢:说明电磁阀工作不正常。
1)万用表交流电压档测量电磁阀输出电压是否正常?正常应该为230V左右。
2)如输出电压正常,则需考虑是否电磁阀故障?更换电磁阀尝试。
第七章 操作
一、试机
1、按要求接好进出输气管路,确保管路通畅。
2、检查机器各管路接头、仪表接头、电线等是否有因运输、安装等原因造成松动或脱落,如有,请及时紧固。
3、检查油位是否在油位计两刻线之间,运行后应在停机10分钟后进行。运行中油位可能较停机时油位稍低。如不够,请及时补充。
4、检查电源安装是否正确,若三相电源相序不对或欠相,控制器会显示故障信息。此时应调整相序,交换其中的任意两相电源线即可。
5、尽管有相序保护,仍应检查主机转向。方法是:按下启动按钮2秒后,立即按急停按钮,确认主机转向与机头端面(轴伸端)的箭头方向一致。
6、按下启动按钮开始运转。
7、观察压力和温度是否正常,显示器是否有异常指示。若有异常指示,立即按“急停按钮”停机检查。
8、检查机器是否能正常加载,若发现有异常声音、异常振动或漏油等现象,立即按“急停按钮”停机检查。
9、检查卸载功能。当排气压力达到微电脑控制器设定的下限值时,机器应能自动卸载;当系统压力降到设定的上限值时,机器应能自动加载运行。
10、按“停机”按钮,检查真空泵能否正常延时停机。
11、如一切正常,按“急停按钮”,检查真空泵能否紧急停机。
1、每次开机前,检查是否有人,确保安全;
2、检查静态油位,不足时应予以补充。加油时,应确认系统内已无压力时方可打开加油口盖。严禁混用不同牌号的超级冷却液,混用不同牌号或不合格的超级冷却液,有可能增大油耗,甚至造成机头卡死的严重后果。
3、主机转动,应活动自如,如有卡滞现象,应检查原因。
4、合上总电源,打开进出管路上截止阀。
5、按下起动按钮,真空泵开始自动运行。
6、本机组自动化程度较高,拥有完善的安全保护功能,一般无需人员看守。但为确保安全,运行时应经常检查并记录排气压力、环境温度、排气温度、油位等参数,供日后检修参考。
7、运行时,油路系统充满高温高压液体,不可松开油管路或进行其他危险操作。如有异常声音、异常振动等情况应立即按“急停按钮”停机检查。
8、工作完毕后,按“停机”按钮,真空泵进入正常停机程序,泄放内压后延时停机。注意,只有遇到紧急情况才可按“急停按钮”停机。
37
长期停机时,应严格遵循下列方法处理,特别是在气温低于0℃以及高湿度的季节或地区。
1、停机1个月以上的处理
1)将控制器、配电箱等电气设备,用塑胶纸或油纸包好,以防湿气侵入。
2)若有任何故障,应先排除,以利将来使用。
2、停机3个月以上的处理
除上述程序外,另需做下列处理:
1)将所有开口封闭,以防湿气、灰尘进入。
2)停用前更换超级冷却液,并运转30分钟。
3)尽可能将机器迁移到灰尘少、空气干燥处存放。
3、重新开机程序
1)除去螺杆鼓风机上所有的塑胶纸或油纸。
2)测量电动机的绝缘电阻,应在1MΩ以上。
3)其他程序如试机所述步骤。
第八章 保养与检查
周期 | 运行时间(小时) | 操作 |
每天 | 8 | 1. 检査读数 2. 检査油位 |
每周 | 48 | 1. 清洁机组进气口滤网 2. 进气过滤器清洁 3. 储气罐冷凝水排放(如果安装) |
每1月 | 200 | 1. 检査可能出现的泄露 2. 检査冷却器,如有必要进行清洁 |
每3月 | 2000 | 1. 加注电机润滑油脂 2. 进气过滤器更换 3. 机油过滤器更换 4. 润滑油和机油过滤器更换 |
控制器显示内容 | 检查保养计划,定期记录运行数据 |
应定期执行以下检査,确保安全操作和延长使用寿命。
1. 压缩空气和电器都具有危险性,检修或维护保养时应确认电源已被切断,并在电源处挂"检修”或"禁 止合闸"等警告标志,以防他人合闸送电造成伤害。
2. 停机维护时必须等待整台螺杆鼓风机冷却后及系统压缩空气安全释放,且维护人员尽可能避开压缩机系统中的任何排气口,关闭相应隔离阀。
3. 清洗机组零部件时,应采用无腐蚀性溶剂,严禁使用易燃易爆及易挥发性清洗剂。
4. 螺杆鼓风机运行一段时间后,须定期检验安全阀等保护系统,确保其灵敏可靠,一般每年检验一次。
5. 螺杆鼓风机的零配件必须是正厂提供,其螺杆油必须为本公司指定螺杆鼓风机专用油,并且两种品牌的油严禁混用,否则会引起系统结焦造成重大事故。
6. 螺杆鼓风机的运行压力应在压力设定范围之内,超出设定范围运行引起的相关问题,不属于质保范畴。
问题与故障 | 处理对策 |
油压过低 | 1.控制器参数设置错误,检査参数设置并修正保护值; 2.油泵故障;检查并维修或更换油泵; 3.溢流阀故障;检查并更换溢流阀; 4.油滤堵塞;检査并更换机油过滤器; |
油温过高 | 1.控制器参数设置错误,检査参数设置并修正保护值; 2.冷却风机故障,检査风机运行情况; 3.散热器堵塞,清洗冷却器; |
排气压力不足 | 1.新机运行压力不够用,检査机器选型情况; 2.进气过滤器堵塞,检查并更换; 3安全阀漏气,检查并维修或更换; 4.管路泄露,检査并修复; 5.鼓风机主机故障,检查并维修或更换; |
排气温度过高 | 1.工作压力过高,调整机器排气压力; 2.机组进气滤网、进气过滤器堵塞;清洁或更换; 3.进气温度过高,检查隔音罩内部温度; 4.转子间隙过大,测量转子间隙并联系广东章鼓售后服务; |
如果您的真空泵出了故障,请按文本显示器的提示进行检查,或参照下表试着排除。如果您仍不能处理这些问题,请与本公司各服务单位联系。
★★★为保证各方面的利益,任何理由任何情况请勿把样例程序或者二次编辑的程序外流★★★
