安全注意
—、机械安全
1、 阅读手册之前禁止运行机器。
2、 使用广东章鼓正厂零件。
3、 禁止使用腐蚀性清洗溶液对机组进行清洗,腐蚀性溶液会对机组造成损害。
4、 使机组远离灰尘污染地区,并确保内部无灰尘污染。及时维护负压滤芯器。禁止液体,固体和粉末状进入真空泵,否则会导致损坏或者使用寿命的减少。保持进气管路内清洁延长负压滤芯器的寿命。
5、 禁止在任何情况下擅自更改原始性能参数,例如排气温度,永磁变频无油螺杆真空泵的转速等等。
6、 如果需要进行更改,请首先联系广东章鼓相关服务人员。
7、 为了防止静电现象,根据具体情况将消音器底座和隔音罩进行接地■
8、 永磁变频无油螺杆真空泵的安装应遵循当地的有关法律法规,并严格遵守以下规定。
9、 压缩机应采用承重能力大于机组重量的起重设备进行吊运,吊运速度、加速度应限制在许可的范围之内。
a) 支撑架,吊带以及吊钩的类型取决于根据货物重量。
b) 起吊设备须根据机器的重力中心调整位置。
10、尽量把永磁变频无油螺杆真空泵安装在干净、通风良好的地方,保证永磁变频无油螺杆真空泵在洁净的环境中。安装地面须保持平整。
11、无论储存还是使用压缩机,均不得露天放置,避免雨、雪、冰雹等恶劣天气侵蚀。
12、永磁变频无油螺杆真空泵污水、废油的排放应遵守当地环保部门的规定。
1、所选用电源电压必须与设备的输入电压规格相同。
2、实施配线前,请务必切断电源,绝对避免与电焊机等强干扰设备共用同一电源。
3、请不要把设备安装在含有爆炸性气体的环境里,否则有引发爆炸的危险。
4主回路端子配线必须正确,R、S、T 为电源输入端子,绝对不可与其它端子混用,否则,送电时会造成
设备的损坏。
5、请勿自行拆装更改变设备内部连接线或零部件。
6、严禁私自改装,更换控制板及零部件,否则有触电,发生爆炸等危险。
7、送电中绝不可插拔设备上的任何连接器(操作面板除外),以避免设备损坏并造成人员伤亡。
8、送电前请盖好电箱盖,以防触电,造成人身伤害。
9、在开启故障再启动功能时,电机在运转停止后会自动再启动,请勿靠近设备,以免发生意外。
10、即使在主电源、其他电压输入和共享负载(比如中间直流回路共享)都已断开的情况下,变频器内
仍然可能残留电能,在接触变频器等电子器件前,22kW 及以下的变频器至少要等待 5分钟,否则有触电的危险。
一、永磁变频无油螺杆真空泵简介
永磁变频无油螺杆真空泵采用联轴器或同轴传动做主传动带动螺杆转子转动进行进行吸真空,空气通过负压滤芯器进入螺杆压缩腔体进行压缩,无永磁变频无油螺杆真空泵一对啮合的螺旋转子,在旋转过程中,从进气端吸入空气,压缩,排放至排气端。压缩腔内无润滑油,阴阳转子由同步齿轮同步运转。
采用自动负压恒定功能,当真空压力超过恒定压力时,自动PID反馈给变频器控制永磁变频电机的转速,从而实现节能目的。
1、基本结构
本公司生产永磁变频无油螺杆真空泵,是一种双轴容积式回转真空泵。进气口开于机壳上方端,排气口开于下部,两只高精密度主副转子,水平而且平行装于机壳部。主转子有五个形齿,而副转子有六个形齿;主转子直径较大,副转子直径较小。齿形成螺旋状,环绕于转子外缘,两者齿形相互啮合。主、副转子均由轴承支撑。机体传动方式联轴器传动。

1、吸气过程:
永磁变频无油真空泵无进气与排气阀组,进气只靠一单向阀的开启与关闭调节。当主副转子的齿沟空间转至机壳进气端壁开口时,其空间最大,此时转子下方的齿沟空间与进气口之自由空气相通,因在排气完了时齿沟内之空气被全数排出,齿沟处于真空状态,当转至进气口时,真空容器内的空气即被吸入,并沿轴向流入主副转子的齿沟内。当空气充满了整个齿沟时,转子之进气侧端面即转离了机壳之进气口,齿沟间的空气即被封闭,以上为“进气过程”。
2、封闭及输送过程:
吸气完成时,主副转子齿峰会与机壳密封,齿沟内的空气不再外流,此即“封闭过程”。两转子继续转动,其齿峰与齿沟在吸气端吻合,吻合面逐渐向排气端移动,此即“输送过程”。
3、压缩及输送过程:
在输送过程中,啮合面逐渐向排气端移动,使啮合面与排气口间的齿沟空间渐渐减少,齿沟内之空气逐渐被压缩,压力逐渐升高,此即“压缩过程”。两转子继续转动,其齿峰与齿沟在上端吻合,吻合面逐渐向排气端移动,此即“输送过程”。。
4、排气过程:当转子的排气口端面与机壳相通时,被压缩之空气开始排出,直至齿峰与齿沟的啮合面移至机壳的排气端端面,此时两转子的啮合面与机壳排气口间的齿沟空间为零,即完成“排气过程”。与此同时,转子的啮合面与机壳进气口之间的齿沟长度又达到最长,由此,开始一个新的压缩循环。
05
第二章 真空泵的安装
适宜的安装场所是正确使用真空泵系统的先决条件。安装场所的选定应保证日后维修方便,避免因环境的不理想导致真空泵的非正常运转。
1、安装场所要求采光良好,具有足够的照明,以利操作及维修。
2、相对湿度小,无腐蚀,无金属屑,灰尘少,空气清净且通风良好。
3、真空泵周围须保留足以让零部件进出的空间,四周离墙至少1.5米以上;真空泵离顶端空间距离2米以上。
4、如真空泵安装在密闭的机房内,必须设置轴流风机,尽量使热交换后的气体排出室外。
5、如环境温度过高(大于40℃),建议采取降温措施(如避免阳光直射、打开门窗等),以避免不必要的高温停机;如环境温度较低(小于-10℃)。
1、配管
(1)配管时,不得使机组承受附加力,长管路时考虑热胀冷缩的影响,管路中需加膨胀补偿器,严禁焊接火花掉进真空泵内,避免烧坏机组部件。
(2)机组出气管路必须有1°~ 2°向下的倾斜度,以利管路中的冷凝水排出,避免冷凝水倒流到机组油气罐内。或在机组出气口处加装集水器。配出气管时,要求方便拆装,保养油分芯时需从此处拿出油分芯。
(3)进气管路的口径应大于或等于真空泵进气口的管径。管路中尽量减少使用弯头及各类阀门,以减少压力损失。配管时要清除焊渣及管内的杂质,保持进气系统里没有流体、水、灰尘和固体颗粒。
(4)主管路不要任意缩小,如果必须缩小时须使用渐缩管,否则在接头处会有紊流情况发生,导致大的压力损失,影响系统真空度。
2、基础
(1)基础应建立在硬质土壤或水泥地面上,且保证平面平整,避免因倾斜造成额外的振动。
(2)真空泵如装在楼上,须作好防振处理(如垫一层10mm厚的橡胶),以防振动的传递和共振产生。
3、冷却系统
(1)水冷式真空泵之冷却用水应符合工业用水的规定,以避免水中的钙镁等离子因高温而引起化学反应,在负压冷油器中结成水垢,影响负压冷油器之热传效果。若使用冷却水水塔循环系统,则水中须定期加软化剂,防止负压冷油器结垢。
(2)冷却水循环系统之自动补给系统须完善,否则运转若干时间后,冷却水量不足,会造成真空泵排气温度超过设定值而保护停机。
(3)真空泵之冷却水系统最好单独使用,避免与其他系统共用,以防水量不足而影响冷却效果。
(4)冷却水塔须符合真空泵所规定的冷却水量,同时抽水泵功率数的选定须正确。冷却水塔放置场所要散热容易,通风良好,且要支撑固定以防倾倒。
(5)冷却水水压一般须维持在0.15-0.25MPa,最高不得超过0.5MPa。
(6)冷却水出口温度应保持低于32℃。
(7)风冷机组如需要时则把冷却后热风导到室外,减少对机房的加热。
三、电器一般规范及安全规范
1、根据真空泵功率的大小,正确选用电源线径及空气开关。不得选用太小的线径,否则电源线容易因高温烧毁并导致危险。
2、真空泵最好单独使用一套电力系统,尤其要避免与其他不同电力消耗并联使用。如并联使用时,可能会因过大的电压降或三相电流不平衡形成真空泵的过载而使保护装置跳机。
3、真空泵配电时,须确认电源电压与电机的额定电压相吻合。
4、必须架设电动机或系统的接地线,防止因漏电而造成危险,而且接地线不可直接接在进出管路上。
5、电机运行期间电源电压与额定值的偏差不大于±5%;频率与额定值的偏差不大于±1%;电机三相电流中任何一相与三相平均值的偏差不大于三相平均值±10%。

A、空气流程
真空容器内空气由负压滤芯器滤去尘埃之后,进入无油螺杆主机压缩室,进行吸气输送-封闭输送-压缩输送-排气过程。压缩后空气经过管路排到消音器,经消音后排至室外,部分有污染的行业还需要几首处理后排放至室外。
(1)负压滤芯器
负压滤芯器为一干式玻璃纤维过滤器,过滤纸细孔度约为10um左右。其主要功能是滤除空气中的尘埃,避免螺杆转子过早磨损。
(2)负压温度传感器
负压温度传感器测量机头排气口处的排气温度,并显示在仪表盘上。在失油、油量不足、冷却不良等情况下,均有可能导致主机排气温度过高。当测得的排气温度达到PLC控制器所设定的温度值时,则真空泵自动停机。
08
B 冷却系统
风冷时,采用板式负压冷油器,机组安装时要确保负压冷油器距离障碍物2米以上,使冷却气流畅通无阻。翅片易受灰尘覆盖而影响冷却效果,可能导致排气温度过高而停机。因此每隔一段时间即应对其进行清洗以确保其冷却效果。
自冷时,采用齿轮箱
1、一般运行
(1)启动
启动前,负压电磁阀都是常闭阀。起动后,大量空气从负压滤芯器吸入,进行压缩,最后排出系统外。
(2)负载运行
永磁变频起动自运行完成后,延时数秒时间,真空泵负载运行状态。真空室内的空气经真空泵被输出室外。当真空室内的真空度达到真空负压传感器的设定压力时,变频器调节开始起作用,真空泵变频运行,自动调节真空泵的永磁电机转速控制吸入气量,使真空室供气量与耗气量保持平衡,此即无级气量调节功能。
(3)卸载运行
当真空压力达到微电脑控制器设定的上限值。且运行频率达到最低频率时,此时负压电磁阀得电而打开,通过负压电磁阀进入空气维持真空压力,真空泵进入卸载运行状态。卸载运行状态持续时间达到设定值时,机器自动停机。当真空压力降到微电脑控制器设定的下限值时,机器重新加载运行。工作结束后,按停机按钮,机器即进入卸载运行状态,延时数十秒时间后自动停机。
a 负压电磁阀
为两位两通常闭电磁阀。通过电磁阀的得电和失电,控制气路的通、断状态,实现加载、卸载功能。
b 负压压力传感器
负压压力传感器测量负压压力,并显示PLC控制器上。通过对进气压力的测量,来控制电磁阀得电或失电,实现加载、卸载状态的转换。
第四章 控制系统(一)
本调试说明书用于指导真空泵电气系统调试,可用作厂家技术人员调试本项目的调试依据。
二、调试前准备工作
1、调试基本信息
2、调试所需设备/工具清单
名称 | 数量 | 单位 | 备注 |
万用表 | 1 | PCS | 福禄克 |
钳流表 | 1 | PCS | 福禄克 |
螺丝刀 | 2 | 把 | 十字、一字 |
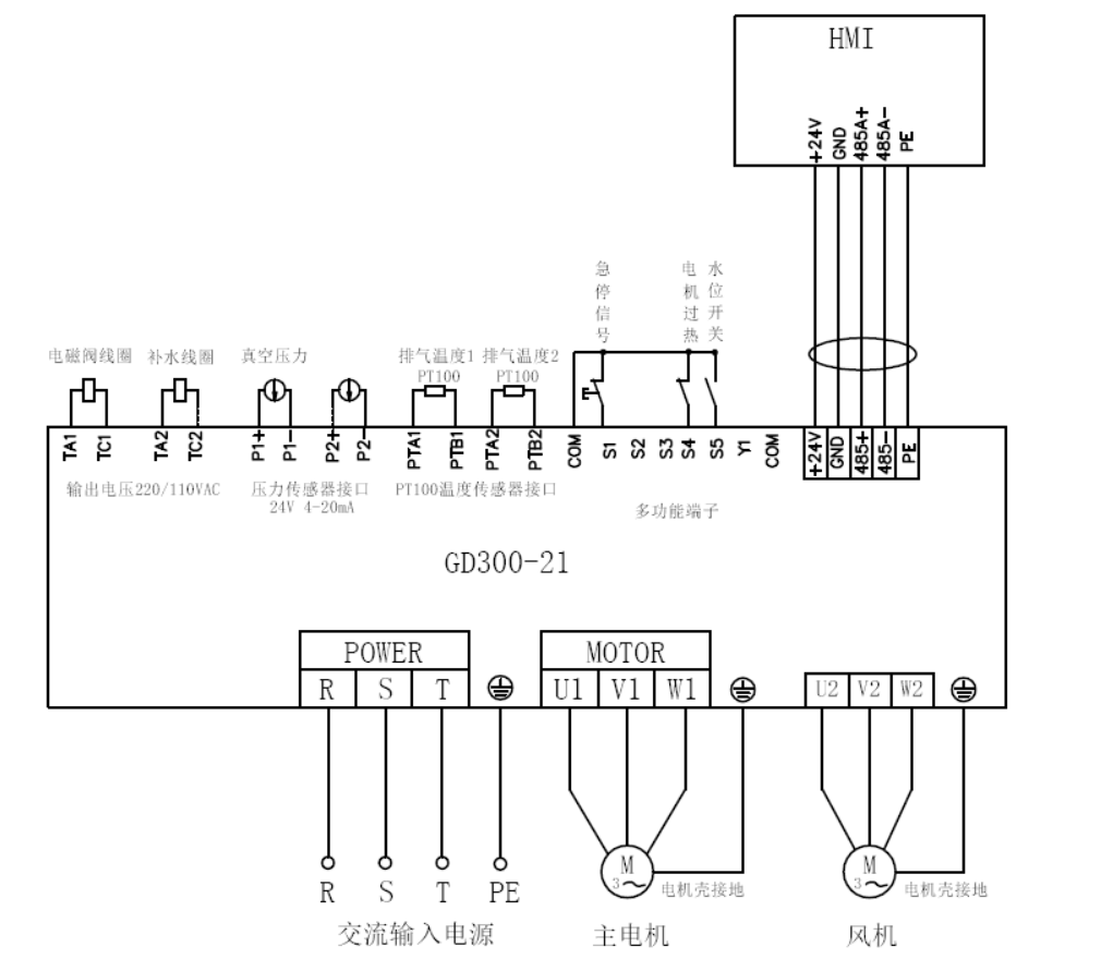
三、系统电气原理图&接线图

GD300-21接线图
1、接线端子说明
2、指示灯位置示意图


3、接线端子说明


四、详细调试步骤及画面
1、调试步骤
第一步:检查接线。按照本调试说明
系统工艺图:分别检查变频器端子接线,主要是温度信号线(不分正负)、压力信号线(分正负)和通讯线(分正负)。
第二步:真空泵上电

第三步:进入开机画面—点击菜单

第四步:菜单——系统配置界面中,按下“电机参数设置”。


第五步:电机电机参数自学习:
触摸屏上,系统配置——出厂调试引导——电机参数设置界面,界面如下:

电机类型如果是异步电机按一下,切换至同步电机,根据电机铭牌设置最大频率、电机额定功率、额定频率、额定电压(380V)、额定电流、电机极对数和反电动势。
注1:最大频率设置:大于等于电机额定频率即可。
注2:极对数设置:根据N=60*f/P,因此P=60*f/N。其中,P为极对数,f为电机额定频率,N为电机额定转速。P为正整数,因此,如果算得不为正整数,则P为算得数值最接近的正整数。如算得2.9,则P=3,算得为3.05,则P=3。如果电机名牌没有标注错误,算得的P都应为正整数。
另外,如果电机名牌上标注电机Pole,则表示为电机极数,极对数为极数的一半,如名牌上标注Pole=8,则极对数应设为4。

设置完毕之后,按下参数辨识,变频器进行电机参数自学习,大约20S自学习完毕。自学习出来的参数为定子电阻、直轴电感和交轴电感。
第六步:风机 参数设置
根据电机铭牌设置最大频率、电机额定功率、额定频率、额定电压(380V)、额定电流、额定转速。之后点击返回
![]()

第七步:系统参数设置
触摸屏上,系统配置——出厂调试引导——系统参数设置界面,界面如下:


注:急停开关、主机温保的端子极性为常闭,其他设置根据现场需要修改,比如相序保护、压力上限等。
P1压力上限设 -100.0 kPa。
之后点击返回
第八步:一键参数设定
触摸屏上,系统配置——出厂调试引导——一键参数设置界面,界面如下:

第九步:调试模式,调试单步动作是否正常。
触摸屏上,系统配置——出厂调试引导——调试模式界面,界面如下:

第一步:点动看方向:按下运行键查看方向后急停。若方向不对,请调整电机接线相序。
第二步:确定风机方向,如风机反向,请更改接线,确保风机转向正确。
第三步:试运行:按下启动键,正常带载运行,查看电流显示是否稳定。
第十步:报警查看,在菜单——故障记录区查看是否有故障或报警以及历史故障记录。如有,一一排查,出厂前应清除历史故障记录。

第十一步:厂家信息填写

第十二步:密码设置及说明

控制器提供了多重密码及权限管理,根据不同级别的密码,提供不同级别的操作权限,不同级别密码及权限如下:
1、用户密码:出厂设置为:
权限:可以清除故障记录;允许修改用户参数,但“级间压力模式”及“级间压力系数”需厂家密码才能更改。可以观看维保参数,保护参数,但不可更改
2、维保密码:出厂设置为:
权限:允许修改所有主变频参数、风机变频参数、维护参数,保护参数。
3、厂家密码:出厂设置为:
权限:最高权限,允许修改所有参数。
如要更改密码可在“保护参数”里的“密码设定”里更改!
4、用户参数设置

5、维护界面

6、主机变频参数

7、风机变频参数

8、运行信息

9、保护参数设置

五、程序更新:

触摸屏上,系统配置——出厂调试引导——触摸屏界面,界面如下:

选择U盘的工程,然后点击 导入工程,等待完成,触摸屏重启!
六、常见故障提示举例:
1、压力信号故障:
1)查看变频器端子接线是否有松动,线有没有接错等意外情况。
2)检查压力变送器线是否接反?
3)以上均试过,还是有压力信号故障,请更换压力变送器。
2、温度信号故障:
1)检查接线,查看排气温度检测信号PT100接线是否正确?
2)测量PT100阻值,正常100欧以上,150欧以下才正常。如不正常,请更换PT100。
3、触摸屏界面所有数据为0:说明通讯不上:
1)检查通讯线是否连接正确?通讯线分正负。
2)以上均已试过还是通讯不上,请更换通讯连接线。
4、电磁阀吸合不牢:说明电磁阀工作不正常。
1)万用表交流电压档测量电磁阀输出电压是否正常?正常应该为230V左右。
2)如输出电压正常,则需考虑是否电磁阀故障?更换电磁阀尝试。
一、试机
1、按要求接好进出输气管路,确保管路通畅。
2、检查机器各管路接头、仪表接头、电线等是否有因运输、安装等原因造成松动或脱落,如有,请及时紧固。
3、检查油桶油位是否在油位计两刻线之间,运行后应在停机10分钟后进行。此时系统中流动的油基本已回流至油桶。观察齿轮箱油视镜是否有油波动,运行中油位可能较停机时油位稍低。如不够,请及时补充。
4、检查电源安装是否正确,若三相电源相序不对或欠相,控制器会显示故障信息。此时应调整相序,交换其中的任意两相电源线即可。
5、尽管有相序保护,仍应检查主机转向。方法是:按下启动按钮2秒后,立即按急停按钮,确认主机转向与机头端面(轴伸端)的箭头方向一致。
6、按下启动按钮开始运转。开机前应确认机组内无人,并检査是否有遗留物品和工具,关上机组门;开机时应先通知机组周围人员注意安全。
7、观察压力和温度是否正常,显示器是否有异常指示。若有异常指示,立即按“急停按钮”停机检查。
8、检查机器是否能正常加载,若发现有异常声音、异常振动或漏油等现象,立即按“急停按钮”停机检查。
9、检查卸载功能。当真空压力达到微电脑控制器设定的下限值时,机器应能自动卸载;当系统真空压力降到设定的上限值时,机器应能自动加载运行。
10、检查排气温度是否保持在170℃以下。
11、按“停机”按钮,检查真空泵能否正常延时停机。
12、如一切正常,按“急停按钮”,检查真空泵能否紧急停机。
1、每次开机前,检查永磁变频无油螺杆真空泵前置单向阀是否为完好,前置阀门是否为打开状态,开机前应确认机组内无人,并检査是否有遗留物品和工具,关上机组门;开机时应先通知机组周围人员注意安全。
2、检查静态油桶油位,不足时应予以补充。加油时,打开加油口盖。严禁混用不同牌号的真空泵超级冷却液,混用不同牌号或不合格的真空泵超级冷却液,有可能增大油耗,甚至造成齿轮卡死甚至主机卡死的严重后果。
3、主机转动,应活动自如,如有卡滞现象,应检查原因。
4、合上总电源,打开进出管路上截止阀。
5、按下起动按钮,真空泵开始自动运行。
6、本机组自动化程度较高,拥有完善的安全保护功能,一般无需人员看守。但为确保安全,运行时应经常检查并记录真空压力、环境温度、排气温度、油位等参数,供日后检修参考。
7、运行时,如有异常声音、异常振动等情况应立即按“急停按钮”停机检查。
8、工作完毕后,按“停机”按钮,真空泵进入正常停机程序,泄放内压后延时停机。注意,只有遇到紧急情况才可按“急停按钮”停机。
37
长期停机时,应严格遵循下列方法处理,特别是在气温低于0℃以及高湿度的季节或地区。
1、停机1个月以上的处理
1)将控制器、配电箱等电气设备,用塑胶纸或油纸包好,以防湿气侵入。
2)将负压冷油器内的水完全排放干净,避免负压冷油器冻裂。
3)若有任何故障,应先排除,以利将来使用。
4)两三天后再将负压冷油器的凝结水排出。
2、停机3个月以上的处理
除上述程序外,另需做下列处理:
1)将所有开口封闭,以防湿气、灰尘进入。
2)停用前排除负压冷油器内的凝结水。
3)将凝结水完全排出。
4)尽可能将机器迁移到灰尘少、空气干燥处存放。
3、重新开机程序
1)除去真空泵上所有的塑胶纸或油纸。
2)测量电动机的绝缘电阻,应在1MΩ以上。
3)其他程序如试机所述步骤。
第七章 保养与检查
一、真空泵超级冷却液的规范及使用保养
1、真空泵超级冷却液
真空泵超级冷却液对喷油螺杆式真空泵的性能具有决定性的影响,若使用不当或错误,则会导致真空泵机体的严重损坏。请使用厂家指定螺杆真空泵推荐超级冷却液。
2、 影响换真空泵超级冷却液周期的因素
1)通风不良,环境温度太高;
2)环境相对湿度高;
3)环境灰尘多。
3、真空泵超级冷却液使用注意事项
1)真空泵超级冷却液品的报废与更换取决于机器的新旧、使用的环境温度、湿度、尘埃和空气中有否酸碱性气体有关,一般而言,真空泵按正常换真空泵超级冷却器每2000小时更换一次。非连续运转的真空泵应适时换真空泵超级冷却液。
2)切忌让真空泵超级冷却液超过使用寿命,真空泵超级冷却液应按时更换,否则真空泵超级冷却液的品质下降,润滑性不良,减少机头齿轮、轴承寿命。容易造成齿轮磨损异响现象;同时因为真空泵超级冷却液之闪点下降,也易引起自燃,导致烧毁真空泵。
3)加油时应添加同一种牌号的真空泵超级冷却液,严禁不同牌号的真空泵超级冷却液混用。
1)应经常清洁负压滤芯器。取下滤芯,使用低压空气将尘埃由内向外吹除。
2)每运行500小时或PLC压差提示时应更换负压滤芯器滤芯。
3)注意:环境恶劣时应缩短清洁或更换周期。
4)注意:清洁或更换时,严防异物掉入负压进气阀内,以免主机卡死烧毁。
1)以后每运行500小时或PLC压差提示应更换。
2)换真空泵超级冷却液时最好更换负压油过滤芯。
3)注意:环境恶劣时应缩短更换周期。
4)注意:更换应在停机卸压后进行。更换时借助工具沿逆时针方向旋出油滤芯。旋出过程防止真空泵超级冷却液流到机座上。安装新滤芯时,用手旋紧。更换完成后,应开机检查是否漏油。
保养周期 | 保养内容 |
每日/每次开机 | 检查并排放油桶内冷凝水 |
检查联轴胶是否磨损 | |
检查油位 | |
500小时 | 清洁负压滤芯器 |
新机第一次运行500小时后更换负压油滤芯和真空泵超级冷却液 | |
检查油、气、电路连接是否松动 | |
500小时 | 更换负压滤芯器 |
负压补气过滤器芯 | |
更换负压油过滤芯 | |
2000小时 | 更换负压滤芯器 |
负压补气过滤器芯 | |
更换负压油过滤芯 | |
更换真空泵超级冷却液 | |
清洁负压冷油器 | |
4000小时 | 更换负压滤芯器 |
负压补气过滤器芯 | |
更换负压油过滤芯 | |
更换真空泵超级冷却液 | |
清洁负压冷油器 | |
检查/更换联轴胶 | |
检查负压温度传感器 | |
检查负压传感器 | |
整机电路检查 | |
注:负压油过滤芯、负压滤芯器根据环境堵塞时,需提前更换。 | |
第八章 日常保养与故障排除
故障情形 | 可能发生原因 | 排除方法 |
无法启动 | 1、保险丝烧毁 2、电压太低 3、电源相序不对 4、启动按钮接触不良 5、急停按钮未复位 6、电动机故障 7、 气线路故障 8、真空泵主机故障 | 1、请电气人员检修更换。 2、请电气人员检修更换。 3、请电气人员调整。 4、请电气人员检修更换。 5、复位。 6、请电气人员检修更换。 7、检查电源线及各接点。 8、用手转动机体转子,若无法转动时,请与公司服务中心联络。 |
运转电流过高,真空泵自行停机 | 1、电压太低 2、真空泵超级冷却液规格不正确 3、负压滤芯器芯堵塞 4、真空泵主机故障 | 1、请电气人员检修更换。 2、检查油号、更换油品。 3、更换负压滤芯器芯。 4、用手转动机体转子,若无法转动时,请与公司服务单位联络。 |
机头排气温度低于正常值 | 1、环境温度低 2、负压温度传感器失灵 3、真空压力低 | 1、确认是否正常。 2、更换负压温度传感器。 3、确认是否正常 |
机头排气温度高,真空泵自行停机 | 1、 环境温度高 2、 负压温度传感器失灵 3、 电线松脱 4、 负压滤芯器芯堵塞 5、 前端真空管道含水量大 6、 吸入空气温度高 | 1、增加排风,降低室温。 2、更换负压温度传感器。 3、检修。 4、更换负压滤芯器芯 5、检查前处理是否正常,修复前处理 6、检查前处理效果,是否正常 |
无法维持真空度 | 1、电磁阀故障 2、真空管路泄漏 3、进气阀、气缸动作不良 4、真空设备要求流量大 | 1、更换新品。 2、检修排除。 3、检修或更换。 4、重新选型。 |
如果您的真空泵出了故障,请按文本显示器的提示进行检查,或参照下表试着排除。如果您仍不能处理这些问题,请与本公司各服务单位联系。
