1、 真空泵放置位置地面必须平坦 ,且地面不可为软性土壤。
2、此真空泵的工作介质主要是正常的空气。不得用于有腐蚀性气体及爆炸性气体的场所。
3、及时维护负压滤芯器。禁止腐蚀性液体 , 固体和粉末状进入真空泵 ,否则会导致损坏或者使用寿命的 减少。保持进气管路内清洁延长负压滤芯器的寿命。
4、配电时 ,选择正确的电源线径 ,并且确认电压的正确性。在供电的线路上 ,必须安装空气开关、熔断 丝等安全装置。为了确保电气设备的可靠性 ,务请按照电气安装的有关规定 ,接上合适的接地线 ,并在机 器周围留出必要的维护空间。
5、第一次开机或电源线有变动时必须检查电机旋转方向是否正确 ,以防机头烧损。
6、在机组运转时 ,不要松动、拆掉任何管路附件、接头和器件。机组里充满高温的液体或气体 ,能引起 严重的人身伤害事故。
7、在真空泵上进行维护保养、检修工作之前 ,必须:
a) 机组停车;
b) 切断电源 ,确保真空泵处于断电状态;
c) 确保真空泵系统已无压力。
8、必须使用我公司指定推荐的螺杆真空泵超级冷却液 ,严禁混用。
9、真空泵内电机、负压温度传感器、压力变送器、电控箱、导线等部件应定期检查 ,此类部件如长期疏 于检修有可能引起火灾事故。
10、真空泵运行时保持出气口畅通 ,不得形成背压。
1、所选用电源电压必须与设备的输入电压规格相同。
2、实施配线前 ,请务必切断电源 ,绝对避免与电焊机等强干扰设备共用同一电源。
3、请不要把设备安装在含有爆炸性气体的环境里 ,否则有引发爆炸的危险。
4、主回路端子配线必须正确 , R、 S、T 为电源输入端子 ,绝对不可与其它端子混用 ,否则 ,送电时会造 成设备的损坏。
5、请勿自行拆装更改设备内部连接线或零部件。
6、严禁私自改装 ,更换控制板及零部件 ,否则有触电 ,发生爆炸等危险。
7、送电中绝不可插拔设备上的任何连接器(操作面板除外) ,以避免设备损坏并造成人员伤亡。
8、送电前请盖好电箱盖 ,以防触电 ,造成人身伤害。
9、在开启故障再启动功能时 ,电机在运转停止后会自动再启动 ,请勿靠近设备 ,以免发生意外。
10、即使在主电源、其他电压输入和共享负载(比如中间直流回路共享)都已断开的情况下 ,变频器内 仍然可能残留电能 ,在接触变频器等电子器件前 , 22kW 及以下的变频器至少要等待 5 分钟 ,否则有触 电的危险。
第一章 螺杆真空泵通则
无油螺杆真空泵 ,由永磁电机带动螺杆主机转动进行抽真空 ,并通过螺杆主机转动。将空气吸入主机 腔进行压缩 ,并经压缩腔将压缩空气排出。
1、基本结构
本公司生产的螺杆真空泵,是一种双轴容积式回转真空泵。进气口开于机壳上方端,排气口开于下部, 两只高精密度主副转子 ,水平而且平行装于机壳部。主转子有五个形齿 ,而副转子有六个形齿;主转子直 径较大 ,副转子直径较小。齿形成螺旋状 ,环绕于转子外缘 ,两者齿形相互啮合。主、副转子均由轴承支 撑。机体传动方式为联轴器直接传动。
2、传动
永磁电机与主机主转子通过弹性联轴器传动。


图一
1、 吸气过程:
螺杆真空泵无进气与排气阀组 ,进气只靠一调节阀的开启与关闭调节。当主副转子的齿沟空间转至机壳进气端壁开口时 ,其空间最大 ,此时转子下方的齿沟空间与进气口之自由空气相通 ,因在排气完了时齿 沟内之空气被全数排出 ,齿沟处于真空状态 ,当转至进气口时 ,真空容器内的空气即被吸入 ,并沿轴向流 入主副转子的齿沟内。当空气充满了整个齿沟时 ,转子之进气侧端面即转离了机壳之进气口 ,齿沟间的空 气即被封闭 ,以上为“进气过程”。
2、封闭及输送过程:
吸气完成时 ,主副转子齿峰会与机壳密封 ,齿沟内的空气不再外流 ,此即“封闭过程”。两转子继续转动 ,其齿峰与齿沟在吸气端吻合 , 吻合面逐渐向排气端移动 ,此即“输送过程”。
3、压缩过程:
在输送过程中 ,啮合面逐渐向排气端移动 ,使啮合面与排气口间的齿沟空间渐渐减少 ,齿沟内之空气逐渐被压缩 ,压力逐渐升高 ,此即“压缩过程”。
4、排气过程:
当转子的排气口端面与机壳相通时 ,被压缩之空气开始排出 ,直至齿峰与齿沟的啮合面移至机壳的排气端端面 ,此时两转子的啮合面与机壳排气口间的齿沟空间为零 ,即完成“排气过程”。与此同时 ,转子 的啮合面与机壳进气口之间的齿沟长度又达到最长 , 由此 ,开始一个新的压缩循环。
适宜的安装场所是正确使用真空泵系统的先决条件。安装场所的选定应保证日后维修方便,避免因环 境的不理想导致真空泵的非正常运转。
1. 安装场所要求采光良好 ,具有足够的照明 ,以利操作及维修。
2. 相对湿度小 ,无腐蚀 ,无金属屑 ,灰尘少 ,空气洁净且通风良好。
3. 真空泵周围须保留足以让零部件进出的空间 ,四周离墙至少 1.5 米以上;真空泵离顶端空间距离 2 米 以上。
4. 如真空泵安装在密闭的机房内 ,必须配套轴流风机 ,尽量使热交换后的气体排出室外。
5. 如环境温度过高(大于 40℃) , 建议采取降温措施(如避免阳光直射、打开门窗等) ,以避免不必 要的高温停机;如环境温度较低(小于-10℃) , 开机时须防止冷却液凝结。
1、配管
1. 配管时 ,不得使机组承受附加力 ,长管路时考虑热胀冷缩的影响 ,管路中需加膨胀补偿器 ,严禁焊接
火花掉进真空泵内 ,避免烧坏机组部件。
2. 机组出气管路必须有 1° ~ 2°向下的倾斜度,以利管路中的冷凝水排出,避免冷凝水倒流到机组内。或 在机组出气口处加装集水器。配出气管时 ,要求方便拆装 ,便于维护。
3. 进气管路的口径应大于或等于真空泵进气口的管径。管路中尽量减少使用弯头及各类阀门 ,以减少压 力损失。配管时要清除焊渣及管内的杂质 ,保持进气系统里没有流体、水、灰尘和固体颗粒。
4. 主管路不要任意缩小 ,如果必须缩小时须使用渐缩管 ,否则在接头处会有紊流情况发生 ,导致大的压 力损失 ,影响系统真空度。
2、基础
1. 基础应建立在硬质土壤或水泥地面上 ,且保证平面平整 ,避免因倾斜造成额外的振动。
2. 真空泵如装在楼上 ,须作好防振处理(如垫一层 10mm 厚的橡胶) ,以防振动的传递和共振产生。
3、冷却系统
1. 水冷式真空泵之冷却用水应符合工业用水的规定 ,以避免水中的钙镁等离子因高温而引起化学反应,在负压冷油器中结成水垢 ,影响负压冷油器之热传效果。若使用冷却水水塔循环系统,则水中须定期 加软化剂 ,防止负压冷油器结垢。
2. 冷却水循环系统之自动补给系统须完善 ,否则运转若干时间后 ,冷却水量不足 ,会造成真空泵排气温 度超过设定值而保护停机。
3. 真空泵之冷却水系统最好单独使用 ,避免与其他系统共用 ,以防水量不足而影响冷却效果。
. 冷却水塔须符合真空泵所规定的冷却水量 ,同时抽水泵功率数的选定须正确。冷却水塔放置场所要散 热容易 ,通风良好 ,且要支撑固定以防倾倒。
5. 冷却水水压一般须维持在 0.15-0.25MPa ,最高不得超过 0.5MPa。
6. 冷却水出口温度应保持低于 32℃。
7. 风冷机组如需要时则把冷却后热风导到室外 ,减少对机房的加热。
1. 根据真空泵功率的大小 ,正确选用电源线径及空气开关。不得选用太小的线径 ,否则电源线容易因高 温烧毁并导致危险。
2. 真空泵最好单独使用一套电力系统 ,尤其要避免与其他不同电力消耗并联使用。如并联使用时 ,可能 会因过大的电压降或三相电流不平衡形成真空泵的过载而使保护装置跳机。
3. 真空泵配电时 ,须确认电源电压与电机的额定电压相吻合。
4. 必须架设电动机或系统的接地线 ,防止因漏电而造成危险 ,而且接地线不可直接接在进出管路上。
5. 电机运行期间电源电压与额定值的偏差不大于±5%;频率与额定值的偏差不大于±1%; 电机三相电流中任何一相与三相平均值的偏差不大于三相平均值±10%。

1. 空气流程
真空容器内空气由负压滤芯器滤去尘埃之后 ,进入主机压缩室 ,进行压缩。压缩后的空气经消音器消 音后经过管路排到室外。
(1)负压滤芯器
负压滤芯器为一干式纸质过滤器 ,过滤纸细孔度约为 5um 左右。其主要功能是滤除空气中的尘埃, 避免螺杆转子过早磨损。
(2)负压温度传感器
负压温度传感器测量机头排气口处的排气温度 ,并显示在仪表盘上。在冷却不良等情况下 ,均有可能 导致主机排气温度过高。 当测得的排气温度达到 PLC 控制器所设定的温度值时 ,则真空泵自动停机。
2. 冷却系统
风冷时,采用板式负压冷油器,机组安装时要确保负压冷油器距离障碍物 2 米以上,使冷却气流畅通无 阻。翅片易受灰尘覆盖而影响冷却效果 ,可能导致排气温度过高而停机。 因此每隔一段时间即应对其进行 清洗以确保其冷却效果。
3. 负压油过滤芯
负压油过滤芯是一种纸质的过滤器 ,过滤精度在 10μ ~15μ之间。其功能是除去油中的杂质 ,如金属 微粒、灰尘、油之劣化物等 ,保护轴承及转子的正常运行。若负压油过滤芯阻塞 ,则可能导致喷油量不足 影响主机轴承使用寿命、机头高速齿轮使用寿命、机头排气温度升高(甚至停机)。
1、一般运行
(1)启动
启动前 ,前置单向阀关闭。起动后 ,大量空气从真空管道吸入并通过负压滤芯器过滤后 ,进行压缩, 最后排出系统外。
(2)负载运行
变频器预运行完成后 ,延时数秒时间 ,前置单向阀全开 ,真空泵负载运行状态。真空室内的空气经真 空泵被输出室外。当真空室内的真空度达到真空调节阀的设定压力时 ,变频器变频开始起作用 , 自动调节 真空泵转速控制吸入气量 ,使真空室供气量与耗气量保持平衡 ,此即无级气量调节功能。
(3)卸载运行
当真空度达到微电脑控制器设定的下限值。此时负压电磁阀失电而打开 ,大气直接通过负压电磁阀吸 入至真空泵。卸载运行状态持续时间达到设定值时 ,机器自动停机。当真空度降到微电脑控制器设定的上 限值时 ,机器重新加载运行。工作结束后 ,按停机按钮 ,机器即进入卸载运行状态 ,延时数十秒时间后自 动停机。
2、 气路控制部件功能说明
a 负压电磁阀
为两位两通常开电磁阀。通过电磁阀的得电和失电 ,控制气路的通、 断状态 ,实现加载、卸载功能。 b 负压压力传感器
负压压力传感器测量负压压力,并显示 PLC 控制器上。通过对进气压力的测量,来控制电磁阀得电或 失电 ,实现加载、卸载状态的转换。
第四章 控制系统
一、概述
本调试说明书用于指导真空泵电气系统调试 ,可用作厂家技术人员调试本项目的调试依据。
二、调试前准备工作
1、调试基本信息
2、调试所需设备/工具清单
名称 | 数量 | 单位 | 备注 |
万用表 | 1 | PCS | 福禄克 |
钳流表 | 1 | PCS | 福禄克 |
螺丝刀 | 2 | 把 | 十字、一字 |
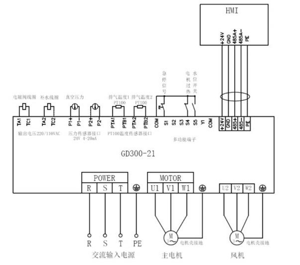
三、系统电气原理图&接线图

GD300-21 接线图
1、接线端子说明
2、指示灯位置示意图


3、接线端子说明

四、详细调试步骤及画面
1、调试步骤
第一步:检查接线。按照本调试说明
系统工艺图 :分别检查变频器端子接线 ,主要是温度信号线(不分正负) 、压力信号线(分正负)和通讯 线(分正负)。
第二步:真空泵上电

第三步:进入开机画面—点击菜单

第四步:菜单——系统配置界面中 ,按下“ 电机参数设置”。


第五步 :电机电机参数自学习:
触摸屏上 ,系统配置——出厂调试引导——电机参数设置界面 ,界面如下:

电机类型如果是异步电机按一下 ,切换至同步电机 ,根据电机铭牌设置最大频率、 电机额定功率、额 定频率、额定电压(380V)、额定电流、电机极对数和反电动势。
注 1 :最大频率设置:大于等于电机额定频率即可。
注 2 :极对数设置:根据 N =60*f/P,因此 P =60*f/N。其中 , P 为极对数 ,f 为电机额定频率 , N 为电 机额定转速。 P 为正整数 , 因此 ,如果算得不为正整数 ,则 P 为算得数值最接近的正整数。如算得 2.9,则 P =3 ,算得为 3.05 ,则 P =3。如果电机名牌没有标注错误 ,算得的 P 都应为正整数。
另外 ,如果电机名牌上标注电机 Pole ,则表示为电机极数 ,极对数为极数的一半 ,如名牌上标注 Pole =8 ,则极对数应设为 4。
设置完毕之后,按下参数辨识,变频器进行电机参数自学习,大
数为定子电阻、直轴电感和交轴电感。
第六步:风机 参数设置
根据电机铭牌设置最大频率、电机额定功率、额定频率、额定电压(380V)、额定电流、额定转速。 之后点击返回

第七步:系统参数设置
触摸屏上 ,系统配置——出厂调试引导——系统参数设置界面 ,界面如下:


注 :急停开关、主机温保的端子极性为常闭 ,其他设置根据现场需要修改 ,比如相序保护、压力上限等。 P1 压力上限设 -100.0 kPa。
之后点击返回
第八步:一键参数设定
触摸屏上 ,系统配置——出厂调试引导——一键参数设置界面 ,界面如下:

第九步:调试模式 ,调试单步动作是否正常。
触摸屏上 ,系统配置——出厂调试引导——调试模式界面 ,界面如下

第一步:点动看方向 :按下运行键查看方向后急停。若方向不对 ,请调整电机接线相序。
第二步:确定风机方向 ,如风机反向 ,请更改接线 ,确保风机转向正确。
第三步:试运行 :按下启动键 ,正常带载运行 ,查看电流显示是否稳定。
第十步:报警查看 ,在菜单——故障记录区查看是否有故障或报警以及历史故障记录。如有 ,一一排查, 出厂前应清除历史故障记录。
第十一步 :厂家信息填写
第十二步 :密码设置及说明

预警压力设置-71Kpa,报警压力最高设置为-75Kpa,若设置过高会导致压力超高引起高温报警,主机密 封失效 ,损坏主机;若自行设置超过标准值 ,损坏厂家不予保修;
控制器提供了多重密码及权限管理 ,根据不同级别的密码 ,提供不同级别的操作权限 ,不同级别密码及权 限如下:
1、用户密码: 出厂设置为:
权限 :可以清除故障记录;允许修改用户参数,但“级间压力模式 ”及“级间压力系数”需厂家密码才能更 改。可以观看维保参数 ,保护参数 ,但不可更改
2、维保密码: 出厂设置为:
权限 :允许修改所有主变频参数、风机变频参数、维护参数,保护参数。
3、厂家密码: 出厂设置为:
权限 :最高权限 ,允许修改所有参数。
如要更改密码可在“保护参数”里的“密码设定”里更改!
4、用户参数设置

特别说明 :卸载压力最高-70Kpa ,若超过-70Kpa易造成主机损坏或卡死现场 ,设置过高损坏不予保修;
5、维护界面

6、主机变频参数

7、风机变频参数

8、运行信息
9、保护参数设置
预警压力设置-71Kpa,报警压力最高设置为-75Kpa,若设置过高会导致压力超高引起高温报警,主机密 封失效 ,损坏主机;若自行设置超过标准值 ,损坏厂家不予保修;
五、程序更新:

触摸屏上 ,系统配置——出厂调试引导——触摸屏界面 ,界面如下:

选择 U 盘的工程 ,然后点击 导入工程 ,等待完成 ,触摸屏重启!
六、常见故障提示举例:
1、压力信号故障:
1)查看变频器端子接线是否有松动 ,线有没有接错等意外情况。
2)检查压力变送器线是否接反?
3) 以上均试过 ,还是有压力信号故障 ,请更换压力变送器。
2、温度信号故障:
1)检查接线 ,查看排气温度检测信号 PT100 接线是否正确?
2)测量 PT100 阻值 ,正常 100 欧以上 , 150 欧以下才正常。如不正常 ,请更换 PT100。
3、触摸屏界面所有数据为 0 :说明通讯不上:
1)检查通讯线是否连接正确?通讯线分正负。
2) 以上均已试过还是通讯不上 ,请更换通讯连接线。
4、 电磁阀吸合不牢 :说明电磁阀工作不正常。
1)万用表交流电压档测量电磁阀输出电压是否正常?正常应该为 230V 左右。
2)如输出电压正常 ,则需考虑是否电磁阀故障?更换电磁阀尝试。
1、按要求接好进出管路 ,确保管路通畅。
2、检查机器各管路接头、仪表接头、 电线等是否有因运输、安装等原因造成松动或脱落 ,如有 ,请及时 紧固。
3、检查油箱内油位是否在油位计两刻线之间,运行后应在停机 10 分钟后进行。此时系统中流动的油基本 已回流至油箱。运行中油位可能较停机时油位稍低。如不够 ,请及时补充。
4、检查电源安装是否正确 ,若三相电源相序不对或欠相 ,控制器会显示故障信息。此时应调整相序 ,交 换其中的任意两相电源线即可。
5、尽管有相序保护 ,仍应检查主机转向。方法是 :按下启动按钮 2 秒后 ,立即按急停按钮 ,确认主机转 向与机头端面(轴伸端) 的箭头方向一致。
6、按下启动按钮开始运转。
7、观察压力和温度是否正常 ,显示器是否有异常指示。若有异常指示 ,立即按“急停按钮”停机检查。
8、检查机器是否能正常加载 ,若发现有异常声音、异常振动或漏油等现象 ,立即按“急停按钮”停机检 查。
9、检查卸载功能。 当排气压力达到微电脑控制器设定的下限值时 ,机器应能自动卸载; 当系统压力降到 设定的上限值时 ,机器应能自动加载运行。
10、检查排气温度是否保持在 105℃以下。
11、按“停机”按钮 ,检查真空泵能否正常延时停机。
12、如一切正常 ,按“急停按钮” ,检查真空泵能否紧急停机。
1、每次开机前 , 略微打开油箱下方的排污球阀 ,以排除油箱内的冷凝水(因水比油重 ,沉淀在下部) , 一旦看见有油流出,迅速关闭。对处于高热高湿环境、连续运转的真空泵,请务必在每周至少一次停机 10 小时以上 ,以便排出超级冷却液中的冷凝水 ,避免超级冷却液乳化。对处于严寒环境的真空泵 ,应确保超 级冷却液不至凝结。
2、检查静态油位 ,不足时应予以补充。加油时 ,应确认系统内已无压力时方可打开加油口盖。严禁混用 不同牌号的真空泵超级冷却液 ,混用不同牌号或不合格的真空泵超级冷却液 ,有可能增大油耗 ,甚至造成 机头卡死的严重后果。
3、主机转动 ,应活动自如 ,如有卡滞现象 ,应检查原因。
4、合上总电源 ,打开进出管路上截止阀。
5、按下起动按钮 ,真空泵开始自动运行。
6、本机组自动化程度较高 ,拥有完善的安全保护功能 ,一般无需人员看守。但为确保安全 ,运行时应经 常检查并记录进气压力、环境温度、排气温度、油位等参数 ,供日后检修参考。
7、运行时 ,油路系统充满高温液体 ,不可松开油管路或进行其他危险操作。如有异常声音、异常振动等 情况应立即按“急停按钮”停机检查。
8、工作完毕后 ,按“停机”按钮 ,真空泵进入正常停机程序 ,泄放内压后延时停机。注意 ,只有遇到紧 急情况才可按“急停按钮”停机。
9、关闭截止阀 ,切断总电源。
三、长期停机的处理方法
长期停机时 ,应严格遵循下列方法处理 ,特别是在气温低于 0℃以及高湿度的季节或地区。
1、停机 1 个月以上的处理
1)将控制器、配电箱等电气设备 ,用塑胶纸或油纸包好 ,以防湿气侵入。
2)将负压冷油器内的水完全排放干净 ,避免负压冷油器冻裂。
3)若有任何故障 ,应先排除 ,以利将来使用。
4)两三天后再将油箱、负压冷油器的凝结水排出。
2、停机 3 个月以上的处理
除上述程序外 ,另需做下列处理:
1)将所有开口封闭 ,以防湿气、灰尘进入。
2)停用前更换超级冷却液 ,并运转 30 分钟 ,两三天后排除气液分离器及负压冷油器内的凝结水。
3)将凝结水完全排出。
4)尽可能将机器迁移到灰尘少、空气干燥处存放。
3、重新开机程序
1) 除去真空泵上所有的塑胶纸或油纸。
2)测量电动机的绝缘电阻 ,应在 1MΩ以上。
3)其他程序如试机所述步骤。
一、真空泵超级冷却液的规范及使用保养
1、真空泵超级冷却液
真空泵超级冷却液对无油螺杆式真空泵的性能具有保护性作用 ,若使用不当或错误,则会导致真空泵 机体的严重损坏。请使用厂家指定螺杆真空泵推荐超级冷却液。
3、 影响换真空泵超级冷却液周期的因素
1)通风不良 ,环境温度太高;
2)环境相对湿度高;
3)环境灰尘多。
3、真空泵超级冷却液使用注意事项
1)真空泵超级冷却液品的报废与更换取决于机器的新旧、使用的环境温度、湿度、尘埃和空气中有否酸 碱性气体有关 ,一般而言 ,真空泵按正常换真空泵超级冷却器每 2000 小时更换一次。非连续运转的真空 泵应适时换真空泵超级冷却液。
2)切忌让真空泵超级冷却液超过使用寿命 ,真空泵超级冷却液应按时更换 ,否则真空泵超级冷却液的品 质下降 ,润滑性不良 ,减少机头轴承寿命。容易造成高温停机现象; 同时因为真空泵超级冷却液之闪点下 降 ,也易引起自燃 ,导致烧毁真空泵。
3)真空泵在使用两年后 ,最好用真空泵超级冷却液做一次 “系统清洁”工作 ,其做法是更换新真空泵超 级冷却液,让真空泵运转 6-8 小时后 ,立即再次更换真空泵超级冷却液,彻底地清洗原本系统中残存的各 种有机成分 ,如此更换的真空泵超级冷却液就有较长的使用寿命。
4)加油时应添加同一种牌号的真空泵超级冷却液 ,严禁不同牌号的真空泵超级冷却液混用。
二、负压滤芯器的维护保养
1)应经常清洁负压滤芯器。取下滤芯 ,使用低压空气将尘埃由内向外吹除。
2)每运行 500 小时或 PLC 压差提示时应更换负压滤芯器滤芯。
3)注意 :环境恶劣时应缩短清洁或更换周期。
4)注意 :清洁或更换时 ,严防异物掉入负压进气阀内 ,以免主机卡死烧毁。
三、负压油过滤芯的更换
1) 以后每运行 500 小时或 PLC 压差提示应更换。
2)换真空泵超级冷却液时最好更换负压油过滤芯。
3)注意 :环境恶劣时应缩短更换周期。
4)注意 :更换应在停机卸压后进行。更换时借助工具沿逆时针方向旋出油滤芯。旋出过程防止真空泵超 级冷却液流到机座上。安装新滤芯时 ,用手旋紧。更换完成后 ,应开机检查是否漏油。
四、保养周期及内容
保养周期 | 保养内容 |
每日/每次开机 | 排放油箱内冷凝水 |
检查油位 | |
500 小时 | 清洁负压滤芯器 |
新机第一次运行 500 小时后更换负压油滤芯和真空泵超级冷却液 | |
检查油、气、 电路连接是否松动 | |
500 小时 | 更换负压滤芯器 |
更换负压油过滤芯 | |
2000 小时 | 更换负压滤芯器 |
更换负压油过滤芯 | |
更换真空泵超级冷却液 | |
清洁负压冷油器 | |
注 :负压油过滤芯、负压滤芯器根据环境堵塞时 ,需提前更换。 | |
故障情形 | 可能发生原因 | 排除方法 |
无法启动 | 1、保险丝烧毁 2、 电压太低 3、 电源相序不对 4、启动按钮接触不良 5、急停按钮未复位 6、 电动机故障 7、 气线路故障 8、真空泵主机故障 | 1、请电气人员检修更换。 2、请电气人员检修更换。 3、请电气人员调整。 4、请电气人员检修更换。 5、复位。 6、请电气人员检修更换。 7、检查电源线及各接点。 8、用手转动机体转子 ,若无法转动时 ,请与公司服 务中心联络。 |
运转电流过高 , 真空泵 自行停机 | 1、 电压太低 2、真空泵主机故障 | 1、请电气人员检修更换。 2、用手转动机体转子 ,若无法转动时 ,请与公司服 务单位联络。 |
油温温度高 , 真空泵自 行停机 | 1、 真空泵超级冷却液量不足 2、 真空泵超级冷却液规格不对 3、 环境温度高 4、 负压油过滤芯阻塞 5、 负压冷油器内部堵塞 6、 负压冷油器表面积尘 7、 风机启动温度设定过高 8、 负压温度传感器失灵 9、 电线松脱 | 1、 加入真空泵超级冷却液。 2、检查、更换真空泵超级冷却液。 3、增加排风 , 降低室温。 4、更换负压油过滤芯。 5、拆下后用药剂清洗。 6、清洁负压冷油器翅片。 7、调整。 8、更换负压温度传感器。 9、检修。 |
无法维持真空度 | 1、 电磁阀故障 2、真空管路泄漏 3、真空设备要求流量大 | 1、更换新品。 2、检修排除。 3、重新选型。 |
如果您的真空泵出了故障 ,请按文本显示器的提示进行检查 ,或参照下表试着排除。如果您仍不能处理这 些问题 ,请与本公司各服务单位联系。
